华体会官方网页版-华体会(中国)
一网搜
登录
|
退出
注册
首页
动态
政务
政务服务
互动
投资
区情
当前位置:
首页
>>
专题
>>
国家生态工业示范园区信息平台
>>
信息公开
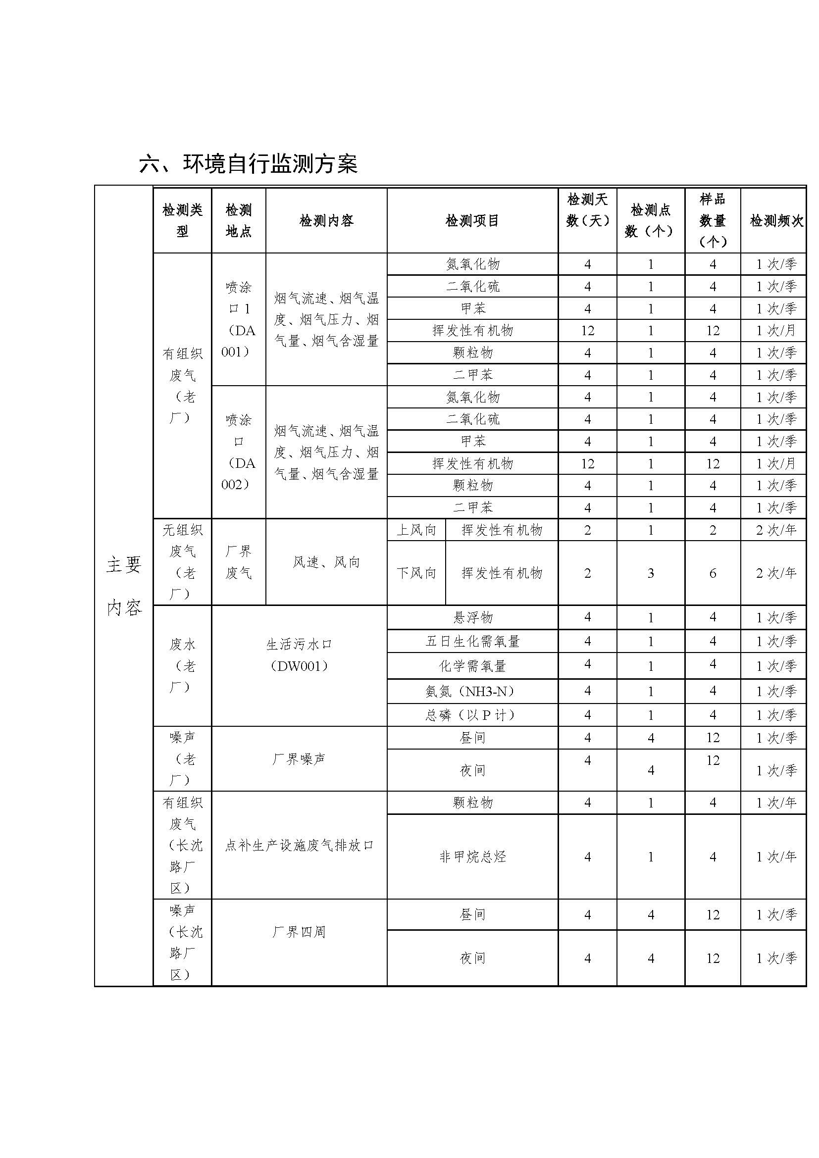
长春市企业事业单位环境信息公开(长春华众延锋彼欧汽车外饰有限公司)
发布时间:2022-07-01 10:19
信息来源:
责任编辑:
乐动网站网页版-乐动online(中国)
|
新利·体育(中国)官方网站-登录入口
|
开云足球-开云(中国)
|
乐竞官网-乐竞(中国)一站式体育服务
|
龙8-long8(头号玩家)国际唯一官方网站
|
龙8-long8(头号玩家)国际唯一官方网站
|
K体育·「中国」官方网站
|
华体会官方网页版-华体会(中国)-华体会
|
广发在线官网-广发(中国)
|